Датчик движения B.E.G. Indoor 180-M-2C без рамки (92661)
Описание
- Дистанционно управляемый датчик движения/шума в исполнении MASTER устройства в виде настенного выключателя с диапазоном обнаружения 180°
- Возможность комбинирования с рамкой крышки пяти различных цветов
- В сочетании с промежуточной рамкой подходит для всех распространенных выключателей, предназначенных для скрытого монтажа
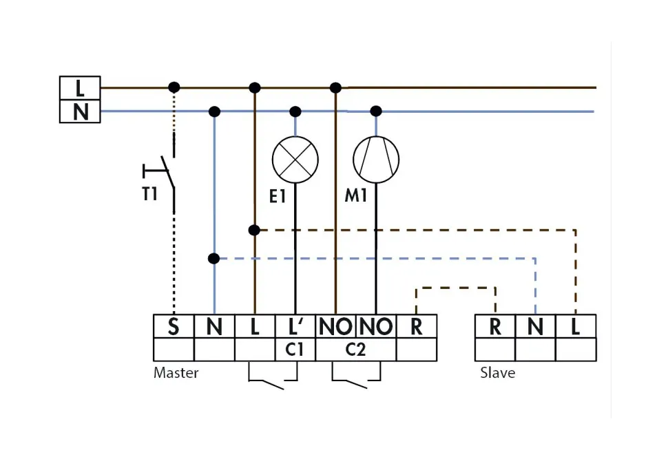
- Два канала коммутации, один для коммутации света, второй с нулевым потенциалом для коммутации окв (отопления, кондиционировании и вентиляции).
- Возможность подключения любого количества SLAVE устройств для расширения диапазона обнаружения!
- Исполнение IP20 и IP54 (исполнение IP54 для влажных помещений, гаражей, лестниц в подвал)
- Измерение освещенности, замер дневного и искусственного освещения
Примеры использования
Контроль общественных туалетов, коридоров, архивов, комнат для совещаний
Технические данные
- Сетевое напряжение 230V
- Энергопотребление около 1,1 Вт
- Диапазон обнаружения 180°
- Дальность действия перпендикулярно макс. 10 м.
- Дальность действия фронтально макс. 3 м.
- Степень защиты IP20
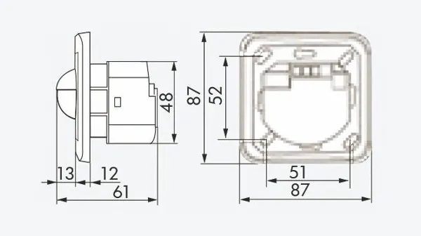
- Габариты Д 87 x Ш 87 x В 61 мм
- Температура окружающей среды от -25°C до +50°C
- Корпус из высококачественного и устойчивого к УФ поликарбоната
- Пульты IR-PD-2C, IR-PD-Mini, IR-adapter c App (IOS/ Android)
- Коммутационная способность 2300 Bт, cos φ = 1; 1150 ВА, cos φ = 0,5
- Настройки времени 15 сeк. — 30 мин. или импульс
- Уровень освещенности 2 - 2000 люкс
Канал 2
- Коммутационная способность Замыкающий контакт, контакт NO, 230 В, 3 A, cos φ = 1
- Настройки времени Импульс сигнала тревоги, импульс или от 5 до 120 мин