Датчик освещенности B.E.G. CdS-DALI/DSI-FC (92562)
Описание
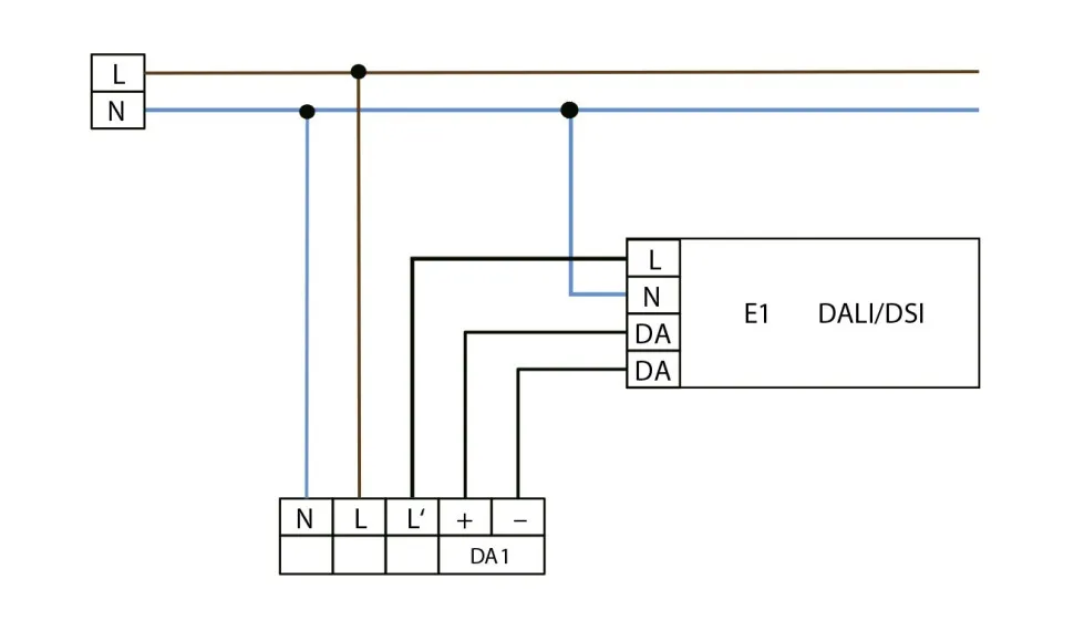
- Сумеречный выключатель с дистанционным управлением LUXOMAT® CdS-DALI/DSI-FC для встроенного монтажа монтажа с интерфейсом DALI/DSI
- Управление шины DALI, без полярности до 50 DALI устройств (только BroadCast), силовое реле для полного отключения освещения
- Диммировать освещение, устанавливать текущий порог освещенности и задавать время задержки, все эти функции доступны с помощью пульта ДУ IR-CdS или универсального IR-Adapter
Примеры использования
Идеально подходит для использования в местах общего пользования, лестничных клетках, офисах и, где есть естественное освещение и свет нужен постоянно.
Технические данные
- Сетевое напряжение 230V
- Степень защиты IP20
- Габариты ∅ 80 x H 75 mm
- Температура окружающей среды от -25°C до +50°C
- Корпус из высококачественного и устойчивого к УФ поликарбоната
Канал 1
- Каналы управления DALI
- Задающее устройство DALI/DSI макс. 50 ЭПРА
- Настройки времени 1 мин. - 30 мин.
- Уровень освещенности 10 - 2000 люкс