Датчик присутствия B.E.G. PD4-M-DIM-C-SM (92218)

Бренд
B.E.G. Luxomat
Артикул
92218
Тип датчика
Присутствия
Цвет
белый
Степень защиты
IP54 (уличный)
Монтаж
Накладной
EAN
4007529922185
Бренд
B.E.G. Luxomat
Артикул:
92218
Цена:
39566,0 ₽
Заказать
Свяжитесь с нами и мы поможем вам правильно подобрать оборудование и комплектующие
Характеристики
EAN
4007529922185
Тип датчика
Присутствия
Цвет
белый
Степень защиты
IP54 (уличный)
Монтаж
Накладной
Вариант установки
Потолочный
Угол обнаружения
360°
Мощность нагрузки, Вт
2300 Вт
Кол-во каналов
1 канал
Дальность обнаружения
20 м
Сенсор
Инфракрасный
Вид питания
220/230В , 0-10В, 1-10В
Мин задержка отключения
60 сек
Макс задержка отключения
30 мин
Бренд
B.E.G. Luxomat
Гарантия
36 мес.
Вес
0.3 кг
Описание

Описание

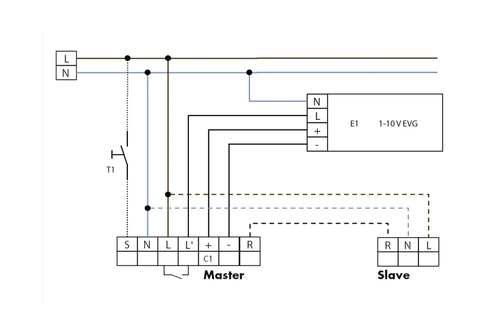
  • Дистанционно управляемый потолочный датчик присутствия PD4-M-DIM-C в исполнении для диммирования света в качестве ведущего устройства для открытого монтажа,
  • с узким диапазоном обнаружения, специально для коридоров
  • Удобное и недорогое решение для регулировки постоянного освещения
  • Один канал для коммутации света
  • Выход для диммирования света с интерфейсом 1–10 В постоянного тока
  • Возможность подключения любого количества SLAVE устройств для расширения диапазона обнаружения!
  • Функции полностью автоматического или полуавтоматического режимов работы, диммирования света и коммутации выбираются с помощью доступного в качестве аксессуара ИК-пульта дистанционного управления IR-PDim

Примеры использования

  • Контроль длинных коридоров

Технические данные

  • Сетевое напряжение 230V
  • Энергопотребление около 0,5 Вт
  • Диапазон обнаружения 360°
  • Дальность действия перпендикулярно Ø 40 м.
  • Дальность действия фронтально Ø 20 м.
  • Степень защиты IP54
  • Габариты Ø 101 x В 76 мм
  • Температура окружающей среды от -25°C до +50°C
  • Корпус из высококачественного и устойчивого к УФ поликарбоната
  • Пульты IR-PDim, IR-PD-DIM-Mini, IR-adapter c App (IOS/ Android)
Канал 1
  • Каналы управления 1-10V
  • Коммутационная способность 2300 Bт, cos φ = 1; 1150 BА, cos φ = 0,5
  • Коммутационная способность 1-10V постоянного тока, макс 50 ЭПРА
  • Настройки времени 1 мин. — 30 мин.
  • Уровень освещенности 10 - 2000 люкс

Галерея
Whatsapp
Telegram
Телефон
Email
Наверх

Связаться с нами
Главная Каталог Корзина
0
Избранное Сравнение