Датчик присутствия B.E.G. PD4-M-TRIO-2DALI/DSI-1C-SM (92751)
Сведения о продукте
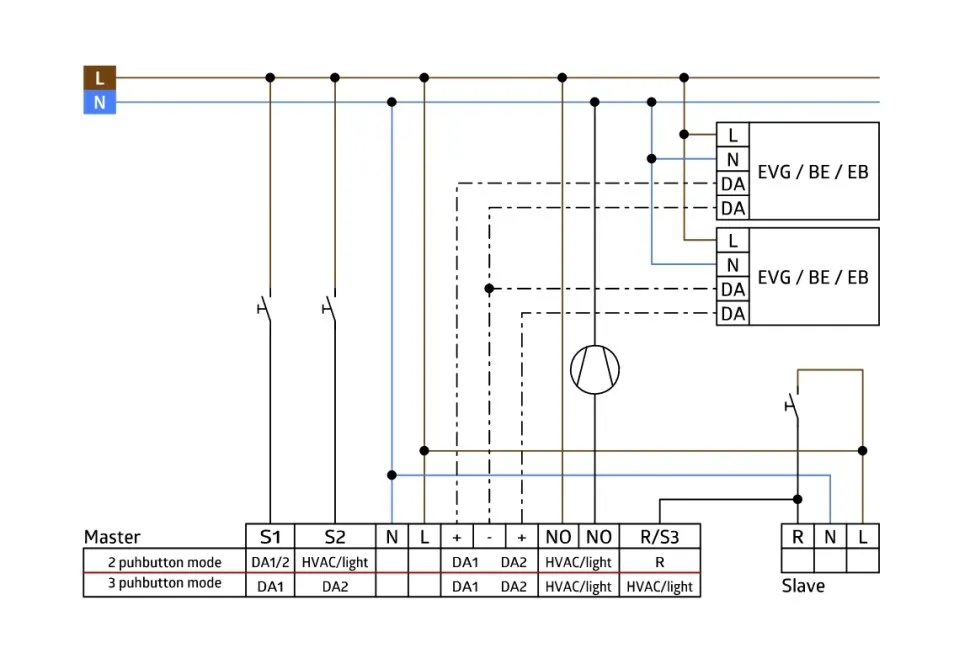
- Дистанционно управляемый потолочный групповой датчик присутствия PD4-M-TRIO-2DALI-1C в исполнении ведущего (Master) устройства, для открытого монтажа, с 2 интерфейсами DALI и круговым диапазоном обнаружения.
- Сухой коммутационный канал для управления HVAC устройствами или освещением
- Два направленных устройства измерения освещенности для двух зон освещения
- Два встроенных световых датчика для автоматической регулировки постоянного освещения
- Один единый диапазон обнаружения
- Переключение между программами DSI и DALI с помощью дистанционного управления
- Возможно ручное управление и диммирование с помощью кнопочного выключателя
- Возможна поставка SLAVE устройств для недорогого увеличения диапазона обнаружения
Примеры использования
- Офисы, комнаты для совещаний, школы, детские сады, больницы
Технические данные
- Сетевое напряжение 230V
- Энергопотребление около 1,4 Вт
- Диапазон обнаружения 360°
- Дальность действия перпендикулярно Ø 24 м.
- Дальность действия фронтально Ø 8 м.
- Дальность действия присутствие Ø 6,4 м.
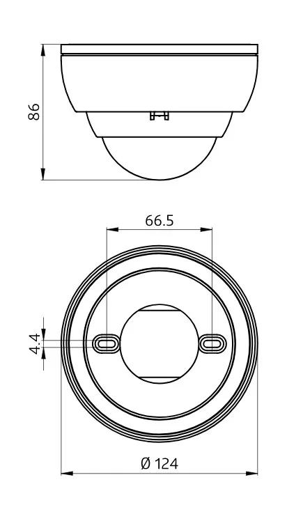
- Степень защиты IP20
- Габариты Ø 124 x H 85 mm
- Температура окружающей среды от -25°C до +50°C
- Корпус из высококачественного и устойчивого к УФ поликарбоната
- Пульты IR-PD4-TRIO-DALI, IR-adapter c App (IOS/ Android)
Канал 1
- Каналы управления DALI
- Задающее устройство DALI/DSI макс. 25 ЭПРА
- Настройки времени от 1 до 60 мин.
- Уровень освещенности 10 - 2000 люкс
Канал 2
- Каналы управления DALI
- Задающее устройство DALI/DSI макс. 25 ЭПРА
- Настройки времени от 1 до 60 мин.
- Уровень освещенности 10 - 2000 люкс
Канал 3
- Каналы управления 230V
- Коммутационная способность 3000 Bт, cos φ = 1; 1500 BА, cos φ = 0,5
- Настройки времени от 1 до 60 мин.
- Уровень освещенности 10 - 2000 Lux