Датчик присутствия B.E.G. PD9-M-DIM-HKL-FC (92973)

Бренд
B.E.G. Luxomat
Артикул
92973
Тип датчика
Присутствия
Цвет
белый серебро антрацит
Степень защиты
IP20 (для помещений)
Монтаж
Врезной
EAN
4007529929733
Бренд
B.E.G. Luxomat
Артикул:
92973
Цена:
35573,0 ₽
Заказать
Свяжитесь с нами и мы поможем вам правильно подобрать оборудование и комплектующие
Характеристики
EAN
4007529929733
Тип датчика
Присутствия
Цвет
белый серебро антрацит
Степень защиты
IP20 (для помещений)
Монтаж
Врезной
Вариант установки
Потолочный
Угол обнаружения
360°
Мощность нагрузки, Вт
2300 Вт
Кол-во каналов
2 канала
Дальность обнаружения
5 м
Сенсор
Инфракрасный
Вид питания
220/230В , 0-10В, 1-10В
Мин задержка отключения
60 сек
Макс задержка отключения
30 мин
Бренд
B.E.G. Luxomat
Гарантия
36 мес.
Вес
0.3 кг
Описание

Описание

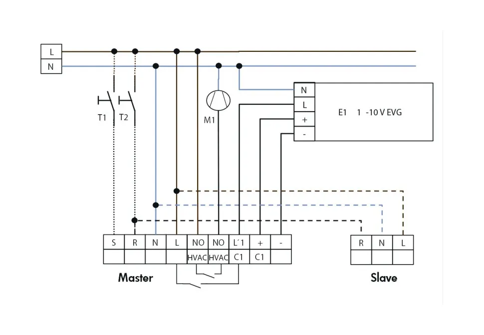
  • Дистанционно управляемый потолочный мини-датчик присутствия PD9-M-DIM-HVAC-FC в исполнении для диммирования света для потолочного монтажа, для внутреннего применения, в исполнении ведущего (Master) устройства, с круговым диапазоном обнаружения
  • Удобное и недорогое решение для регулировки постоянного освещения
  • Два канала коммутации, один для коммутации света, второй с нулевым потенциалом для коммутации ОКВ (отопления, кондиционировании и вентиляции).
  • Выход для диммирования света с интерфейсом 1–10 В постоянного тока
  • Возможность подключения любого количества SLAVE устройств для расширения диапазона обнаружения!
  • Функции полностью автоматического или полуавтоматического режимов работы, диммирования света и коммутации выбираются с помощью доступного в качестве аксессуара ИК-пульта дистанционного управления

Примеры использования

  • Офисы, комнаты для совещаний, больницы, передние, детские сады

Технические данные

  • Сетевое напряжение 230V
  • Энергопотребление около 0,6 Вт
  • Диапазон обнаружения 360°
  • Дальность действия перпендикулярно Ø 10 м.
  • Дальность действия фронтально Ø 6 м.
  • Дальность действия присутствие Ø 4 м.
  • Степень защиты IP20
  • Габариты Датчик: Ø 45 x В 28 мм. Силовая часть: Д 165 x Ш 24 x В 24 мм
  • Температура окружающей среды от -25°C до +50°C
  • Корпус из высококачественного и устойчивого к УФ поликарбоната
  • Пульты IR-PD-DIM-HKL, IR-PD-DIM-Mini, IR-adapter c App (IOS/ Android)
Канал 1
  • Каналы управления 1-10V
  • Коммутационная способность 2300 Bт, cos φ = 1; 1150 BА, cos φ = 0,5
  • Коммутационная способность 1-10V постоянного тока, макс. 50 ЭПРА
  • Настройки времени 1 мин. — 30 мин.
  • Уровень освещенности 10 - 2000 люкс
Канал 2
  • Каналы управления 230V
  • Коммутационная способность Замыкающий контакт, контакт NO, 230 В, 3 A, cos φ = 1
  • Настройки времени Импульс сигнала тревоги, импульс или от 5 до 120 мин
Галерея
Whatsapp
Telegram
Телефон
Email
Наверх

Связаться с нами
Главная Каталог Корзина
0
Избранное Сравнение