Ультразвуковой датчик присутствия Steinel US 360 COM1 (007935)
Обнаружено без препятствий. Наполняющий пространство и чувствительный.
Наличие углов в интерьере, перегородки или другие препятствия создают для некоторых датчиков непреодолимые трудности. С другой стороны, динамическое всестороннее обнаружение присутствия US 360 также абсолютно надежно работает за объектами. На 6х6 метров. Даже при экстремальных температурах. Это возможно благодаря ультразвуковым волнам, заполняющим пространство.
Технические характеристики
|
Европейский номер артикула (EAN) |
4007841007935 |
|
Тип |
Детектор присутствия |
|
Размеры (Д x Ш x В) |
120 х 120 х 68 мм |
|
Электропитание от сети |
230 В / 50-60 Гц |
|
Сенсорная технология |
Ультразвуковой |
|
Назначение |
В помещении |
|
Назначение, комната |
Классная комната, кабинет для одного человека,
|
|
Монтаж |
Врезной |
|
Электронная масштабируемость |
Да |
|
Механическая масштабируемость |
Нет |
|
Монтажная высота |
2,50 - 3,50 м |
|
Оптимальная монтажная высота |
2,8 м |
|
Угол обнаружения |
360° |
|
Защита от подкрадывания |
Да |
|
Радиальный вылет |
Ø 10 м (79 м²) |
|
Вылет по касательной |
Ø 10 м (79 м²) |
|
Сумеречный порог УЧИТЬ |
Да |
|
Настройка сумерек |
10 - 1000 лк |
|
Настройки времени |
30 с - 30 мин. |
|
Постоянное управление освещением |
Нет |
|
Базовая функция уровня освещенности |
Нет |
|
Функции |
Нормальный / тестовый режим,
|
|
Настройки через |
Пульт дистанционного управления,
|
|
С дистанционным управлением |
Нет |
|
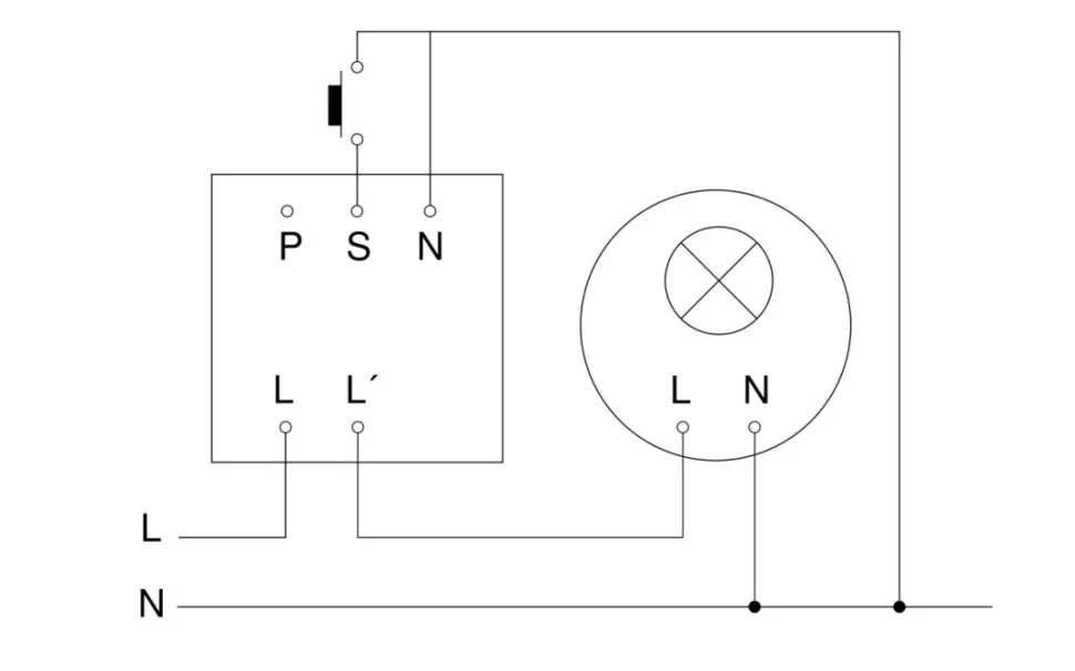
Параллельное подключение |
Да |
|
IP-рейтинг |
IP20 |
|
Материал |
Пластик |
|
Температура окружающей среды |
-25°С ... +55°С |
|
Цвет |
Белый |
|
Цвет, RAL |
9010 |
|
Гарантия производителя |
5 лет |
|
Версия |
COM1 |
|
Интерфейс |
COM1 (включение света) |
|
Сенсорная технология |
Ультразвуковой |